สถานที่ตั้งปัจจุบัน: บ้าน » ข่าว
  • 2568-05-15
    การตายของปั๊มเป็นสิ่งที่ขาดไม่ได้ในการผลิตที่ทันสมัยซึ่งทำหน้าที่เป็นกระดูกสันหลังสำหรับการผลิตส่วนประกอบที่แม่นยำในอุตสาหกรรมเช่นยานยนต์การบินและอวกาศและอุปกรณ์อิเล็กทรอนิกส์ของผู้บริโภค ตามรายงานของอุตสาหกรรมพบว่าส่วนประกอบโลหะมากกว่า 60% ในการผลิตยานยนต์นั้นขึ้นอยู่กับการตายของปั๊ม
  • 2567-03-21
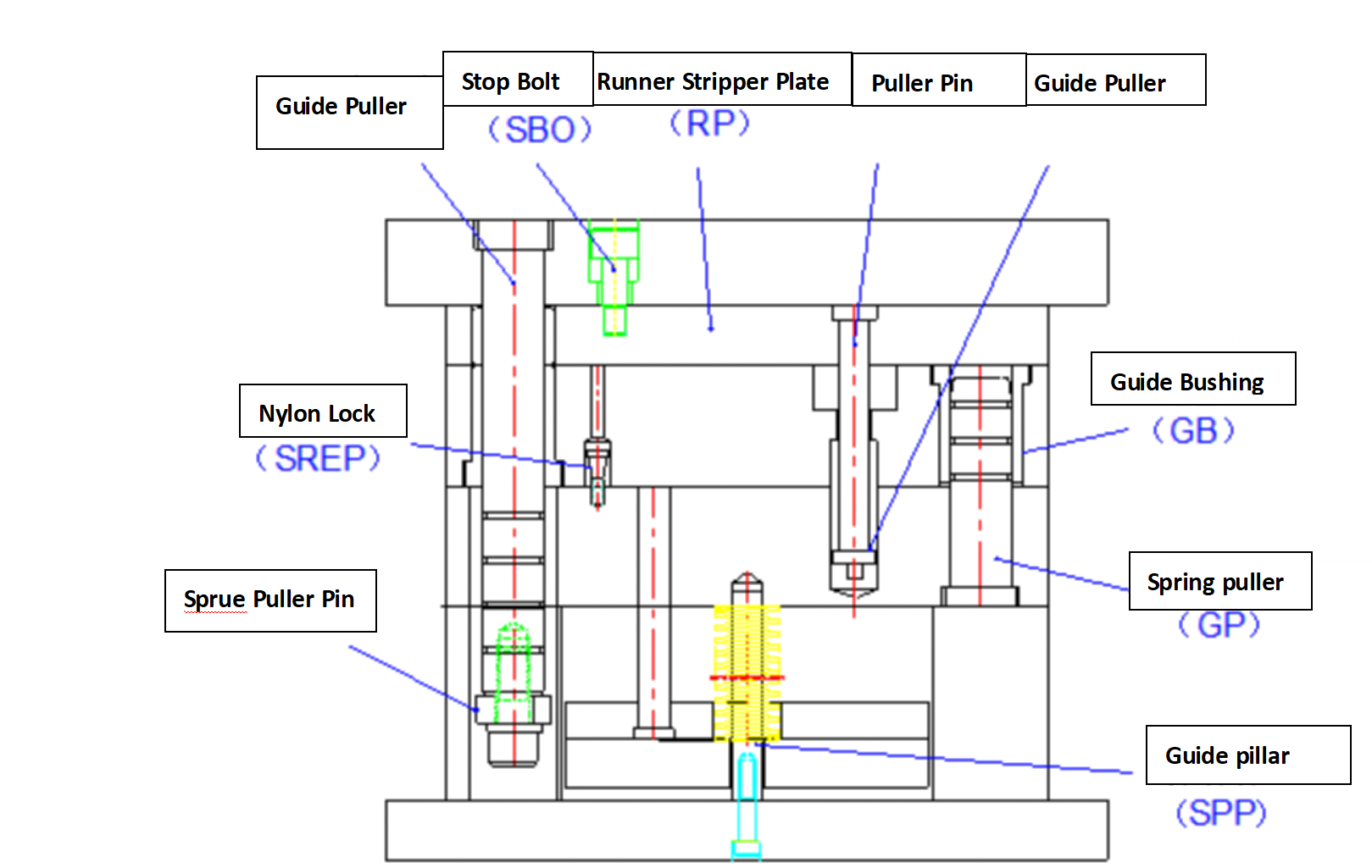
    การฉีดขึ้นรูปเป็นรากฐานที่สำคัญของการผลิตที่ทันสมัยทำให้การผลิตชิ้นส่วนพลาสติกที่ซับซ้อนในอุตสาหกรรมนับไม่ถ้วน อย่างไรก็ตามการบรรลุการแยกโพรงแม่พิมพ์ที่ราบรื่นและมีประสิทธิภาพ - ขั้นตอนสำคัญที่ส่วนที่ขึ้นรูปได้รับการปล่อยตัว - อาจเป็นความท้าทายที่สำคัญ บทความนี้ดำดิ่งสู่โลกแห่งโซลูชั่นแยกโพรงแม่พิมพ์สำรวจแนวปฏิบัติที่ดีที่สุดและเทคนิคนวัตกรรมที่ใช้โดยผู้นำอุตสาหกรรมเช่น Zhuhai Gree Daikin Precision Mold (GDM)
  • 2569-01-12
    1. การเลือกใช้วัสดุสำหรับชิ้นส่วนโลหะแผ่นโลหะแผ่นเป็นวัสดุที่ใช้กันมากที่สุดแห่งหนึ่งในการออกแบบโครงสร้างของผลิตภัณฑ์ด้านการสื่อสาร การทำความเข้าใจคุณสมบัติที่ครอบคลุมของวัสดุและการเลือกอย่างถูกต้องมีผลกระทบอย่างมากต่อต้นทุนผลิตภัณฑ์ ประสิทธิภาพ คุณภาพ และ
  • 2569-01-07
    1. แนวคิดของการบด2. เครื่องมือทั่วไปและวิธีการบด3. อุปกรณ์เครื่องจักรกลทั่วไปและความแม่นยำในการตัดเฉือน4. ผลกระทบของกระบวนการเจียรต่อแม่พิมพ์และแม่พิมพ์
  • 2569-01-05
    ในการผลิตแม่พิมพ์ฉีดที่ผ่านการรับรอง ผู้ผลิตแม่พิมพ์ได้สร้างระบบการจัดการการผลิตที่ครอบคลุม ดังนั้นมาตรการใดที่สามารถนำมาใช้เพื่อปรับปรุงคุณภาพของแม่พิมพ์ฉีดพลาสติกได้
  • 2568-12-30
    ปัจจุบัน ชิ้นส่วนต่างๆ เกิดการแตกร้าวหลังจากการอบชุบด้วยความร้อน ซึ่งส่งผลกระทบอย่างรุนแรงต่อกำหนดการส่งมอบแม่พิมพ์และต้นทุนการผลิต สาเหตุหลักคือความเข้าใจกระบวนการบำบัดความร้อนไม่เพียงพอทำให้เกิดความผิดปกติดังกล่าว ต้องใช้มาตรการป้องกันล่วงหน้าสำหรับกระบวนการที่สำคัญ เพื่อให้แน่ใจว่าจะไม่เกิดการแตกร้าวหลังการให้ความร้อน
  • 2568-12-25
    1. วิธีการขึ้นรูป – สามารถเลือกทำจากวัสดุพื้นฐานได้ 2 ประเภท ก) เหล็กกล้าเครื่องมืองานร้อน ซึ่งสามารถทนต่ออุณหภูมิที่ค่อนข้างสูงในการหล่อแบบตาย การตีขึ้นรูป และการอัดขึ้นรูป ข) เหล็กกล้าเครื่องมืองานเย็น ซึ่งใช้สำหรับการตัดและตัดโลหะ การขึ้นรูปเย็น การอัดรีดเย็น
  • 2568-12-16
    อิทธิพลของวัสดุต่อกระบวนการดัดงอ สำหรับแผ่นโลหะที่ต้องการการดัดและการขึ้นรูป ความเป็นพลาสติกที่เพียงพอและความแข็งแรงของผลผลิตค่อนข้างต่ำถือเป็นสิ่งสำคัญ แผ่นที่มีความเป็นพลาสติกสูงมีแนวโน้มที่จะแตกร้าวน้อยกว่าในระหว่างการดัด ในขณะที่วัสดุที่มีความแข็งแรงของผลผลิตต่ำกว่าและโมดูลัสยืดหยุ่นต่ำกว่า e
  • 2568-12-08
    เพื่อให้มั่นใจในการผลิตแม่พิมพ์ฉีดพลาสติกที่มีคุณสมบัติเหมาะสม ผู้ผลิตแม่พิมพ์ที่มีความแม่นยำจะต้องมุ่งเน้นที่การเพิ่มคุณภาพของแม่พิมพ์ มาตรการใดบ้างที่สามารถนำมาใช้เพื่อปรับปรุงคุณภาพของแม่พิมพ์ฉีดพลาสติกได้?
  • 2568-09-05
    จากการป้อนข้อมูลผลิตภัณฑ์ - การประเมินผล - การปรับปรุงโครงสร้าง - การออกแบบทางวิศวกรรมการวาดภาพ: เทคโนโลยี 3 มิติสะท้อนสถานะของแม่พิมพ์โดยสังเขปเผยให้เห็นปัญหาที่มองไม่เห็นและลดอัตราความผิดพลาดที่เกิดจากการออกแบบแม่พิมพ์จึงลดค่าใช้จ่าย
  • ทั้งหมด16หน้า  ไปที่หน้า
  • กำหนด

ZHUHAI GREE DAIKIN PRECISION MOLD CO., LTD.

โทร: +86-756-8593099
อีเมล: sales2@gd-mold.com
เลขที่ 688 ถนนจินจิ เขตเซียงโจว จูไห่ กวางตุ้ง จีน

ลิงค์ด่วน

สินค้า

ติดต่อกลับ
ลิขสิทธิ์ © 2022 ZHUHAI GREE DAIKIN PRECISION MOLD CO., LTD. นโยบายความเป็นส่วนตัว | แผนผังเว็บไซต์ -สนับสนุนโดย leadong.com